Om ons gratis ebook met veel informatie over omvormers te downloaden klikt u HIER .
Om dit PDF-bestand te lezen heeft u Adobe Reader nodig. Beschikt u niet over dit programma, dan kunt u dit gratis downloaden op www.adobe.nl.
Voor het geval u ons ebook niet wilt of kunt downloaden kunt u het ook hieronder in zijn geheel lezen.
© 2013
Dit e-book is een uitgave van VDP, Eindhoven. Op dit e-book berust copyright. Niets uit de inhoud mag door derden worden vermenigvuldigd, gekopieerd of worden gebruikt voor handelsdoeleinden of andere doeleinden.
Inleiding
Om op plaatsen waar geen netspanning aanwezig is (aan boord, in een vakantiehuis, in de camper/caravan, in de vrachtwagen etc.) toch te kunnen beschikken over 230V wisselspanning, kunt u er voor kiezen één of meerdere accu’s in te zetten in combinatie met een omvormer (ook genoemd ‘inverter’). De omvormer zet de gelijkspanning van de accu om in 230V wisselspanning. Uiteraard kunt u ook kiezen voor het gebruik van een aggregaat of voor een combinatie van beide. Hierop gaan we later in dit ebook uitvoerig in.
Soorten omvormers
Tegenwoordig zijn er voornamelijk twee soorten omvormers verkrijgbaar: gemodificeerde sinusomvormers (ook wel genoemd: quasi-sinusomvormers) en zuivere sinusomvormers. Om het verschil uit te leggen is een klein beetje theorie nodig.
De wisselspanning, zoals die thuis uit het stopcontact komt heeft een zuivere sinusvorm. Deze sinusvorm ziet er als volgt uit:
Een gemodificeerde sinusomvormer produceert een hiervan iets afwijkende golfvorm. In figuur 2 zijn een zuivere sinus (de rode lijn) en een gemodificeerde sinus (blauwe lijn) getekend.

Fig. 2.
Voor de meeste apparatuur levert een gemodificeerde sinusgolf geen enkel probleem op. Apparaten zoals waterkokers, koffiezetapparaten, magnetrons, laptop, DVD-speler, satelietontvanger, digitenne, LCD-tv’s enzovoort, zullen alle normaal functioneren. Wel kunnen sommige ‘normale’ TV’s (met ouderwetse beeldbuis) enige storing vertonen in de vorm van een streep boven- of onderin het beeld of in de vorm van ruis. Of een TV zo’n storing zal vertonen is eigenlijk van te voren niet goed te voorspellen, een en ander is afhankelijk van de wijze waarop de TV het binnenkomende signaal verwerkt. Wel is het zo, dat het meestal de wat goedkopere TV’s zijn die een storing in het beeld vertonen. LCD-tv’s daarentegen vertonen in veruit de meeste gevallen geen enkele storing bij gebruik van een gemodificeerde omvormer als stroombron.
Enkele apparaten kunnen niet overweg met een gemodificeerde omvormer, zoals de Senseo Crema van Philips en de Nespresso van Bosch. De elektronica in deze koffiemachines heeft een zuiver sinusvormig signaal nodig om te kunnen functioneren. Voor deze machine heeft u dan ook een zuivere sinusomvormer nodig met een minimaal nominaal vermogen van 1500W.
Ook elektronische laders van bijvoorbeeld accu-boormachines hebben een zuiver sinussignaal nodig om te kunnen functioneren.
Verder moet men oppassen met het gebruik van apparaten, die functioneren met kleine batterijen, die direct in het stopcontact moeten worden gestoken om op te laden en ook elektrische tandenborstels kan men beter niet opladen met een gemodificeerde omvormer.
Bij twijfel is het wellicht zinnig om u te wenden tot de fabrikant om erachter te komen of u een zuivere sinusomvormer nodig heeft, of dat u kunt volstaan met een gemodificeerde uitvoering.
Al met al kan geconcludeerd worden, dat in de meeste gevallen een gemodificeerde omvormer prima voldoet, maar dat u in sommige gevallen zeker de aanschaf van een zuivere sinusomvormer moet overwegen. Deze laatste is wel flink duurder dan de gemodificeerde uitvoeringen: de prijs van een ‘low-cost’ zuivere sinusomvormer ligt gemiddeld ongeveer drie keer zo hoog dan die van een gemodificeerde omvormer, waarbij uiteraard ook merk en kwaliteit een grote rol spelen.
De keuze van het juiste vermogen
Hoe kiest u nu het juiste vermogen bij aanschaf van een omvormer?
Allereerst moet u nagaan voor welke apparaten u de omvormer wilt gaan gebruiken. De opgenomen vermogens van deze apparaten geven een eerste indicatie voor het benodigde omvormervermogen. Ook is het van belang om te bepalen welke van deze apparaten u (soms of altijd) gelijktijdig wilt gaan gebruiken. In dat geval belasten ze de omvormer
uiteraard zwaarder, dan wanneer ze niet gelijktijdig ingeschakeld worden.
Een tweede, zeer belangrijk overwegingspunt is het zogenaamde opgenomen piekvermogen van de verschillende apparatuur. Sommige apparaten vragen bij het opstarten kortstondig (enkele milliseconden tot enkele seconden) een vermogen, dat aanzienlijk hoger is, dan het normale (nominale) vermogen. Een compressorkoelkast van 60W bijvoorbeeld kan bij het opstarten gedurende enkele seconden een vermogen vragen van wel 600 – 800W. Tijdens het draaien van de compressor van de koelkast zou je aan een omvormer van 300W ruim voldoende moeten hebben om deze te laten functioneren. Echter, een 300W omvormer kan dit gevraagde piekvermogen niet leveren en zal dus dienst weigeren. Daarom is voor een compressorkoelkast een omvormer nodig met een minimaal vermogen van 600W (deze kan kortstondig een piekvermogen leveren van ca. 1200W, voldoende dus voor het opstarten van de compressor van de koelkast).
Ook bij gebruik van een normale televisie moet u rekening houden met een hoge aanloopstroom. Voor een kleine televisie heeft u een omvormer nodig van minimaal 300W (met een piekvermogen van 600W).
De plaatsing van een omvormer.
Een omvormer produceert behalve 230V wisselspanning ook een hoeveelheid warmte. Deze hoeveelheid zal groter zijn, naarmate de omvormer zwaarder wordt belast. De betere omvormers (en vanaf een vermogen van ca. 300W) zijn daarom uitgerust met een ventilator, die automatisch inschakelt bij een bepaalde temperatuur, meestal ongeveer 40 ˚C. Zodra dan de temperatuur weer voldoende is gedaald, schakelt de ventilator vanzelf weer uit.
Het is dus van belang, dat de omvormer wordt geplaatst in een omgeving die niet te warm wordt en die voldoende wordt geventileerd om een
goede koeling van de omvormer te waarborgen. Onder de motorkap of in de machinekamer is dus niet zo’n goed idee, zeker niet, als de omvormer tijdens het rijden of varen wordt gebruikt.
Soms is het lastig om de juiste plaats te vinden, omdat de omvormer niet alleen op een niet te warme plaats, maar ook niet te ver van de accu (‘s) geplaatst moet worden. Dit laatste houdt verband met het feit, dat de
gelijkstroomkabels (dus de rode en de zwarte kabel die van de omvormer naar de accu gaan), die bij de omvormer worden geleverd een beperkte lengte hebben en niet straffeloos zomaar flink mogen worden verlengd. Door de hoge gelijkstromen, die door deze kabels gaan, kunnen deze warm worden als ze te dun zijn in verhouding tot hun lengte. Een warme kabel heeft een grotere weerstand en hierdoor zal het vermogen van de omvormer flink teruglopen. Bovendien geeft oververhitting van de kabels kans op brand en daar zit niemand op te wachten. Bij de meeste omvormers worden kabels meegeleverd met een lengte van ca. één meter en in de juiste dikte voor de betreffende omvormer. Als dit in uw situatie niet voldoende is, dan kunt u deze kabels wel enigszins verlengen, maar niet onbeperkt. Moet u echt enkele meters overbruggen, dan zult u de kabels moeten vervangen door een dikkere uitvoering. Hóe dik hangt af van de lengte en de maximale stroomsterkte die er doorheen moet.
Dikte van de gelijkstroomkabels.
Uit de onderstaande formule kunt u afleiden welke kabeldoorsnede (in mm²) in uw specifieke situatie noodzakelijk is.
De formule luidt als volgt:
Formule 1: O = 0,2 * W * L
U
Hierin is:
- O: de kabel(ader)doorsnede in mm²
- L: de lengte van de kabel in meters
- W: vermogen in Watt
- U: de spanning in Volt
In de formule is al rekening gehouden met het feit dat de stroom heen en terug moet. De lengte hoeft u dus niet dubbel te nemen.
Een voorbeeld:
U heeft een omvormer van 1000W en u wilt deze plaatsen op een afstand van drie meter van de accu(‘s). De boordspanning is 12V.
U gaat uit van de nominale belasting, in dit geval 1000W.
De gevonden waarde vult u nu samen met de andere gegevens in de bovenstaande formule. Dit levert dan:
O = 0,2 x 1000 x 3
12
Voor O vinden we nu dus een waarde van afgerond 50mm². Dit wordt dus de minimale doorsnede van de gelijkstroomkabels van uw omvormer naar de accu(‘s).
Verwar niet de stroomsterkte door de gelijkstroomkabels met de stroomsterkte die door de wisselstroomkabel heengaat. Die laatste is namelijk vele malen kleiner, omdat de spanning (230V AC) veel groter is! Het is dus in bijna alle gevallen het beste om de gelijkstroomkabels zo kort mogelijk te houden en zoveel mogelijk verder te werken met de 230V-zijde van omvormer.
Doe dit wel op een veilige en verantwoorde manier. 230V is een potentieel dodelijke spanning, óók als die uit een omvormer komt!!
Wat ook van groot belang is, is dat u de diverse verbindingen stevig maakt. Loszittende verbindingen zorgen voor slechte geleiding (dus hoge weerstand en vermogensverlies) en kunnen ook vonkvorming veroorzaken, hetgeen uiteraard zeer gevaarlijk kan zijn en zeker in de buurt van accu’s, waar het zeer ontplofbare knalgas tot grote ellende kan leiden.
Beveiliging van de omvormer.
Waar mensen werken worden fouten gemaakt en zeker met elektriciteit kunnen sommige fouten of defecten heel vervelende gevolgen hebben.
Een goede omvormer behoort daarom op een aantal manieren beveiligd te zijn en wel tegen:
- Oververhitting. Als een omvormer zijn warmte niet meer kwijt kan en de temperatuur loopt te hoog op (boven de 60˚C), dient deze zodanig beveiligd te zijn, dat de omvormer automatisch wordt uitgeschakeld. Na daling van de temperatuur moet de omvormer zichzelf weer inschakelen.
- Overbelasting. Als een apparaat wordt ingeschakeld, dat een hoger vermogen nodig heeft, dan de omvormer kan leveren, dient de omvormer hiervoor te waarschuwen met een geluidsignaal en met een waarschuwingslampje. Als dan niet wordt ingegrepen, dient de omvormer zichzelf uit te schakelen. Nadat het apparaat met te hoog vermogen is losgekoppeld en de omvormer is uit- en weer aangezet, werkt deze weer normaal.
- Te lage accuspanning. Bij een dalende accuspanning zal de gelijkstroom, die nodig is om het gevraagde vermogen te kunnen blijven leveren steeds verder oplopen. Dit is slecht voor de omvormer, de kabels, maar natuurlijk ook voor de accu. Een goede omvormer zal bij een te lage accuspanning eerst een geluidssignaal geven en als daar niet op wordt gereageerd, zal de omvormer zichzelf uitschakelen.
- Te hoge accuspanning. Als de ingangsspanning van de omvormer te hoog is (hoger dan ca. 16V DC bij een 12V omvormer, hoger dan ca. 30V DC bij een 24V omvormer), dan moet de omvormer zichzelf uitschakelen om beschadiging van de elektronica te voorkomen.
- Kortsluiting op de uitgang. Voor het geval dat er kortsluiting ontstaat op de 230V uitgang van de omvormer, bijvoorbeeld door aansluiten van een defect apparaat, dient de omvormer te zijn voorzien van zekeringen, die voorkomen, dat de omvormer zélf defect raakt.
- Een omvormer dient voorzien te zijn van kinderveilige
stopcontacten, zodat bijvoorbeeld nooit zoiets als een spijker er
in kan worden gestoken.
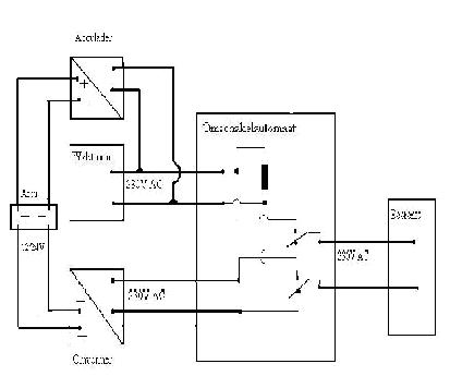
Walstroom en uw omvormer.
In veel gevallen zal een combinatie gebruikt worden van 230V uit de omvormer en 230V spanning van het net (walspanning, paalspanning). Normaal gesproken zult u, zodra dit voorhanden is, gebruik willen maken van walstroom, al is het maar om uw accu te sparen en deze bovendien op te laden. Hier schuilt een gevaar, waar u heel goed rekening mee zult moeten houden. U moet er namelijk te allen tijde voor zorgen, dat er nooit 230V van buitenaf (dus wal- of paalspanning) komt te staan op de 230V uitgang van de omvormer, dan raakt deze namelijk onherroepelijk defect.
Een manier om deze mogelijkheid te voorkomen, is het plaatsen van een omschakelautomaat. Een dergelijke automaat zorgt ervoor, dat zodra de walspanning wordt ingeschakeld, de omvormer automatisch wordt uitgeschakeld.
Dit werkt door middel van een dubbel relais, dat eerst de omvormer uitschakelt en vervolgens, binnen enkele milliseconden, de walstroom aan uw boordnet koppelt.
Omgekeerd werkt het precies zo: zodra de walstroom weer wordt afgekoppeld, wordt automatisch de omvormer in werking gesteld, zonder dat u er iets van merkt. In onderstaande tekening is een en ander schematisch voorgesteld.

Fig. 2: Schematische voorstelling van de aansluiting op het boordnet
d.m.v. een omschakelautomaat.
Uiteraard is het ook mogelijk om in plaats van de omschakelautomaat een handmatig bediende (dubbelpolige!) schakelaar te monteren. Zorg in dat geval echter wel voor een goede en goedgekeurde schakelaar.
Keuringseisen aan omvormers.
Binnen de Europese Unie is een groot aantal afspraken gemaakt wat betreft veiligheid en milieueisen, waaraan produkten dienen te voldoen.
De belangrijkste normen, die hiervoor zijn opgesteld en waar omvormers onder vallen zijn CE, e-markering en sinds kort RoHS.
- CE norm.
CE staat voor Conformité Européenne en is een veiligheidskeurmerk. Dit betekent, dat het produkt voldoet aan een aantal minimale eisen, die de veiligheid van de gebruiker waarborgen bij normaal gebruik. CE is dus geen kwaliteitskeurmerk, zoals vaak ten onrechte wordt gesuggereerd.
Afhankelijk van het gebruiksdoel dient een omvormer al dan niet te voldoen aan de CE-norm. Als een omvormer uitsluitend verkocht voor gebruik in een voertuig, dan is geen CE-markering vereist,
maar e-markering (zie hieronder). In dat geval valt de omvormer onder de zogenaamde Automotive Richtlijn.
In alle andere gevallen moet een omvormer zijn voorzien van CE-markering, te herkennen aan het aangebrachte merkteken:
- e-markering.
e-markering dient te worden aangebracht, als het betreffende apparaat uitsluitend bedoelt is voor gebruik in voertuigen, dus in auto’s, campers en vrachtwagens. Ook deze markering is een veiligheidskeurmerk en géén kwaliteitsindicatie. Het teken geeft aan, dat het apparaat de veiligheid van een voertuig niet in gevaar zal brengen bij normaal gebruik. De aangebrachte e wordt altijd gevolgd door een nummer en dit nummer geeft aan in welk land het betreffende apparaat is gekeurd voor toelating (e4 staat voor Nederland, e13 staat voor Luxemburg enz.). Alle andere Europese landen zijn vervolgens verplicht om het apparaat tot hun markt toe te laten. Om het nog wat ingewikkelder te maken: e-markering is niet hetzelfde als E-markering. De eerste is een Europese norm, de tweede is een VN-norm, die wereldwijd geldig is.
- RoHS richtlijn.
Vanaf 1 juli 2006 moeten veel apparaten, waaronder omvormers voldoen aan de zogenaamde RoHS-richtlijn. RoHS staat voor “Restriction of use of Hazardous Substances”, vrij vertaald: “beperking van het gebruik van bepaalde gevaarlijke stoffen”. Deze richtlijn dient dus duidelijk een milieudoel. Door de douane wordt bij invoer streng gecontroleerd op naleving van deze EU-norm.
Helaas schrijft de richtlijn geen middel voor om RoHS-conformiteit aan te duiden, zodat het over het algemeen niet mogelijk is om met het oog conforme van niet-conforme produkten te onderscheiden.
De accu.
Hoewel het er van buiten niet zo uitziet is de accu technisch gezien een zeer gecompliceerd onderwerp. De goede werking van een accu is van veel zaken afhankelijk, zoals omgeving, gebruiksomstandigheden en wijze van laden en, niet te vergeten, ontladen. Ondanks de gecompliceerdheid moeten we er hier toch het één en ander over zeggen, want ten slotte is het de energieleverancier voor onze omvormer.
De loodaccu, gevuld met verdund zwavelzuur, is nog altijd de meest toegepaste accu. De startaccu in de auto, camper of boot is wel de meest bekende uitvoering van de loodaccu. In principe is de startaccu wel te gebruiken als energieleverancier voor de omvormer, maar beter is het om een tractieaccu of een semi-tractieaccu te gebruiken. Een startaccu is namelijk ontworpen om gedurende korte tijd een hoge stroomsterkte te leveren, maar is niet bestand tegen diepontlading en heeft weinig ‘reserve’-energie. Daarom loopt een startaccu ook relatief snel leeg, als de lichten worden aangelaten, zonder dat de motor draait. Als deze accu verder ontladen wordt dan ca. 80% van zijn oorspronkelijke vermogen, dan lopen de platen schade op (sulfatering van de platen).
Een (semi-)tractieaccu daarentegen, is ontworpen om gedurende langere tijd een relatief lagere stroomsterkte te leveren en is bovendien wél bestand tegen diepontlading en daarom veel geschikter voor gebruik in combinatie met een omvormer.
Om te bepalen hoe groot uw accucapaciteit moet zijn in combinatie met een bepaalde omvormer is er een vuistregel, die zegt dat de accucapaciteit in Ah (Ampère x uur) ongeveer gelijk moet zijn aan of groter dan eenvijfde van de capaciteit van de omvormer in W(Watt).
Een omvormer van 1000W zou dus volgens die vuistregel een accu behoeven van ca. 200Ah. Nou is dit natuurlijk maar een vuistregel en er van afwijken is in principe geen probleem, maar een kleinere accu betekent uiteraard, dat u korter kunt doen met het beschikbare vermogen.
Stel dus dat we over een accu beschikken van 200Ah en een omvormer van 1000W.
Nu wilt u weten hoe lang u bijvoorbeeld TV kunt kijken. Stel dat uw TV een nominaal vermogen vraagt van 70W (het gevraagde opstartvermogen tellen we voor het gemak niet mee, dat wordt zo kortstondig gevraagd, dat het geen invloed heeft op de rekensom). We gaan er van uit, dat u de accu tot ca. 50% mag ontladen (afhankelijk van de kwaliteit en soort accu kan dit meer zijn, zelfs tot 80%).
U kunt dus 100Ah uit de accu halen. Het opgenomen vermogen was 70W, hetgeen bij een accu van 12V een stroom genereert van 70/12 = 6A. In theorie kunt u dus 100/6 = ruim 16 uur van uw TV genieten, zonder de accu te hoeven bijladen. Pas hier voor de zekerheid een flinke foutenmarge van 30% op toe en u houdt over een tijd van ruim 11 uur.
Een tweede voorbeeld: u wilt gedurende een half uur uw elektrische oventje van 1000W opgenomen vermogen gebruiken en uw omvormer heeft een vermogen van 1500W. 1000W bij 12V vraagt een stroomsterkte van 1000 / 12 = 83A. Gedurende een half uur heeft u dus 83 / 2 = 41,5Ah van uw accu gevraagd. Als uw accu tot 50% mag worden ontladen, moet deze dus een minimale capaciteit hebben van 2 x 41,5Ah = 83Ah.
De praktijk is iets weerbarstiger (zie ook hieronder), want dit zou alleen gelden in de ideale situatie en u moet hier dus een flinke marge bij optellen: 83Ah + 30% levert een gewenste accucapaciteit op van 110Ah.
Een accu is een lastig ding, waar meestal wel een vermogen in Ah op vermeld staat, maar dit vermogen heeft de accu alleen maar als deze nieuw is. Bij iedere keer laden kan er iets minder energie in en zo vol als toen de accu nieuw was wordt ie nooit weer. Ook de temperatuur heeft grote invloed op de accucapaciteit, denk maar aan de vele startproblemen bij auto’s in de winter.
Ook, en dat is geen algemeen bekend gegeven, is de manier van ontladen van een accu van invloed op de capaciteit. De capaciteit van een loodzuuraccu is slechts optimaal bij een ontlaadtijd van 10 uur. Bij elke andere ontlaadtijd hoort een andere capaciteit. Neem bijvoorbeeld een accu met een capaciteit van 250Ah. Bij een stroomafname van 46A gedurende 5 uur, hoort een capaciteit van 230Ah. Bij een afname van 265A gedurende een half uur hoort een capaciteit van nog maar 133Ah, bijna de helft van de nominale capaciteit van 250Ah!
Dit alles betekent, dat het eigenlijk niet mogelijk is om in het algemeen aan te geven hoe lang je een omvormer van een bepaald vermogen precies kunt gebruiken op een bepaalde accu. Het is in elk geval deels nattevingerwerk. Ga uit van de ideale situatie en pas daar een flinke foutenmarge op toe.
Ten slotte.
Realiseer u goed, dat een omvormer een wisselspanning afgeeft van 230V, hetgeen bij aanraking een ernstige en potentieel dodelijke schok op kan leveren. Zorg dat u weet wat u doet bij het aansluiten van een 230V circuit.
Hoewel dit vaak onderschat wordt, dient u ook zeer voorzichtig om te gaan met de aan te sluiten accu(‘s). Als u bij het aansluiten van de omvormer op de accu per ongeluk kortsluiting veroorzaakt tussen de
accupolen, kan er kortstondig een zéér grote stroom (kortsluitstroom) gaan lopen, die grote hitte kan veroorzaken en de accu kan doen openbarsten. Het in de accu aanwezige zwavelzuur komt dan vrij met alle ellendige gevolgen van dien voor uzelf en voor de omgeving.
Zorg er ook voor, dat u nooit rookt bij het werken aan of met de accu. Een accu scheidt waterstofgas af, hetgeen zeer explosief kan zijn.
Als u twijfelt aan uw eigen kundigheid om een en ander veilig aan te sluiten, laat het dan over aan een vakman.
Op dit e-book berust copyright. Niets uit de inhoud mag door derden worden vermenigvuldigd, gekopieerd of worden gebruikt voor handelsdoeleinden of andere doeleinden.
© 2013